GWX-1610

GWX-1610

2012 Package 32.768kHz Watch Crystal

  • Competitive pricing for volume applications
  • Ultra low profile - 0.6mm high
  • Light weight miniature package
  • Vacuum sealed for high stability
Configurable Options
ParameterOption Code
Quantity / Special Request

Please specify the quantity you require below.

The GWX-1610 is supplied on tape and reel. 5k pcs per reel is the standard T&R pack size for this product. Partial quantities may be supplied on tape (no reel), or in bulk. 5k pcs per reel is the standard T&R pack size for this product. Partial quantities may be supplied on tape (no reel), or in bulk.

Product Description

Available with a choice of operating temperature ranges, and temperature stabilities, the ultra-miniature GWX-1610 crystal comes in a package measuring just 1.6 x 1.0 x 0.50mm and is available at frequencies 32.768kHz. If you're looking for ultra-miniature components for your next project this could be the crystal you need.

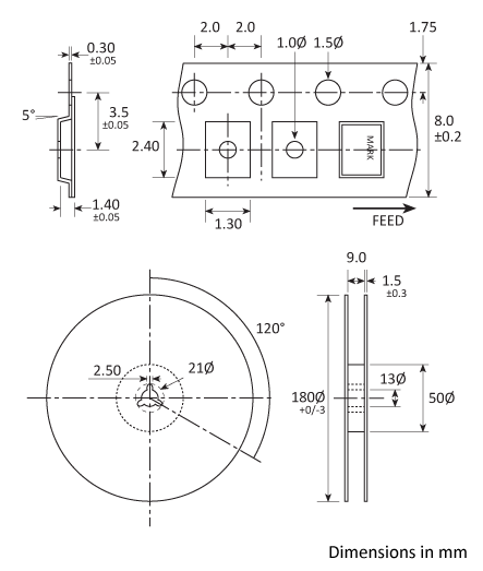
Package Drawing
Package footprint and pad configuration drawing for the Golledge GWX-2012 Crystal showing full dimensions.
Ordering Information

To request a quotation for the GWX-1610 please use the configurable options form to choose the options you require and then submit your configured product to our team. Our expert advisers are always happy to help with your requirements and can be contacted on +44 1460 256 100 or at sales@golledge.com.

Following product selection you will be issued with a seven character Golledge part number. Your Golledge part number is the internationally accepted Golledge manufacturing part number (MPN) that should be used for all project documentation, including bills of materials (BoMs) and purchase orders.

If you have any queries regarding any of our documentation our dedicated sales team will be happy to help.

Soldering Profile
Solder reflow profile
Tape & Reel Specification
Tape and Reel specifications

5k pcs per reel is the standard T&R pack size for this product. Partial quantities may be supplied on tape (no reel), or in bulk.

Handling & Storage

ESD-HBM-1A Human Body Model (HBM) 1A (250V to < 500V)

MSL1 Moisture Sensitivity Level (MSL): 1

Construction

Ceramic body with gold-plated pads Metal lid, vacuum sealed

Compliance

PbFree Lead-free (< 0.1% by weight )

RoHS RoHS compliant with no exemptions.