The product image will be updated soon

GTXO-C74T 3.3V VCTCXO CMOS Low Phase Noise

  • Low phase noise
  • CMOS output
  • Miniature SM package
  • Sealed crystal design
Configurable Options
ParameterOption Code
Frequency
Frequency stability
J
H
G
Temperature range
N
S
I
Quantity / Special Request

Please specify the quantity you require below.

The GTXO-C74T is supplied on tape and reel. 2k pcs per reel is the standard T&R pack size for this product. Partial quantities may be supplied on tape (no reel), or in bulk.
Product Description
The GTXO-C74T temperature compensated oscillator is available with excellent stability options over automotive operating temperature range of -40 to +85 degrees, making it ideal for a wide range of projects, including in-dash and V2V applications.
Specifications
Frequency range 30.0 ~ 61.44MHz
Dimensions 7.0 x 5.0 x 2.5mm
Storage temperature range -40 to +85°C
Supply voltage stability ±1.0ppm, VDD ±5%
Driving ability 15pF CMOS
Logic levels ‘0’ level = 10%VDD max
‘1’ level = 90%VDD min
Waveform symmetry 45:55 @ 50%VDD
Ageing ±1.0ppm max first year
Supply voltage (VDD) +3.3V ±5%
Supply current 20.0mA max
Start up time 3ms max
Frequency adjustment None
Phase noise (typ @ 61.44MHz) -84dBc/Hz @ 10Hz
-115dBc/Hz @ 100Hz
-141dBc/Hz @ 1kHz
-154dBc/Hz @ 10kHz
Preset frequency @ 25°C ±2.0ppm max
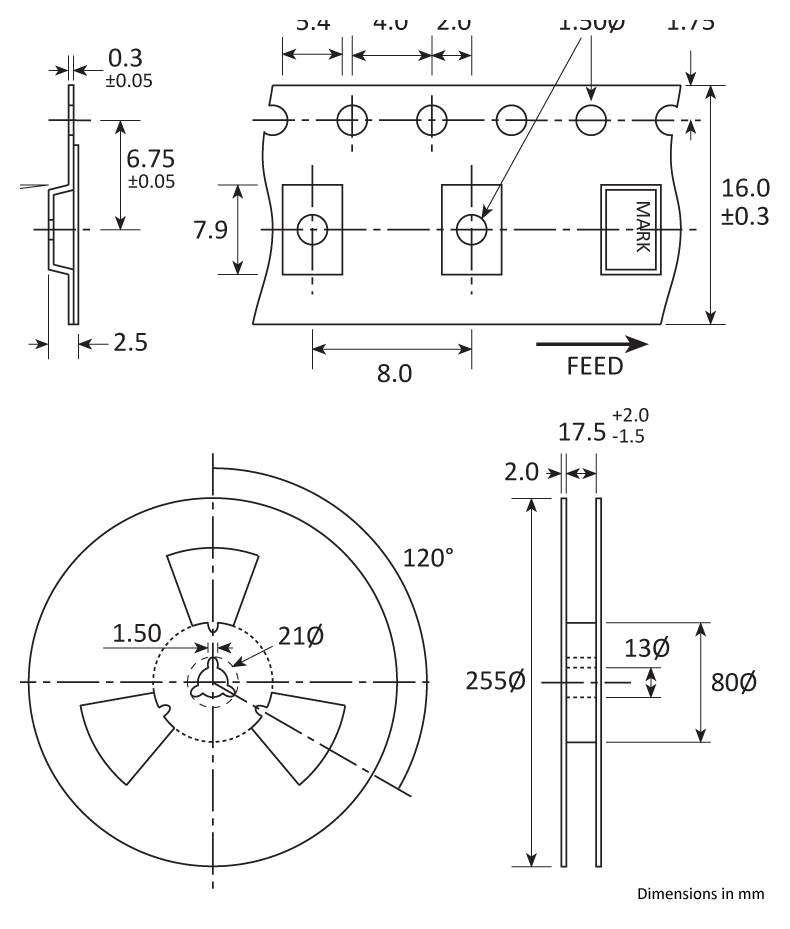
Package Drawing
Package footprint and pad configuration drawing for the Golledge GTXO-74T TCXO showing full dimensions.
Ordering Information

To request a quotation for the GTXO-C74T please use the configurable options form to choose the options you require and then submit your configured product to our team. Our expert advisers are always happy to help with your requirements and can be contacted on +44 1460 256 100 or at sales@golledge.com.

Following product selection you will be issued with a seven character Golledge part number. Your Golledge part number is the internationally accepted Golledge manufacturing part number (MPN) that should be used for all project documentation, including bills of materials (BoMs) and purchase orders.

If you have any queries regarding any of our documentation our dedicated sales team will be happy to help.

Marking
Marking
Marking
Soldering Profile
Solder reflow profile
Tape & Reel Specification
Tape and Reel specifications
Handling & Storage

ESD-HBM-1A Human Body Model (HBM) 1A (250V to < 500V)

MSL1 Moisture Sensitivity Level (MSL): 1

Construction
PCB carrier Metal screening lid
Compliance

PbFree Lead-free (< 0.1% by weight )

RoHS RoHS compliant with no exemptions.