The product image will be updated soon

GXO-2201J 1.8 ~ 3.3V CMOS Oscillator

  • Competitive pricing for high volumes
  • Miniature ceramic package with metal lid
  • Low voltage supply
  • Enable / disable tristate function
Configurable Options
ParameterOption Code
Quantity / Special Request

Please specify the quantity you require below.

The GXO-2201J is supplied on tape and reel. 1k or 3k pcs per reel are the standard T&R pack sizes for this product. Partial quantities may be supplied on tape (no reel), or in bulk.
Product Description
The ultra-miniature package of the GXO-2201J measures just 2.0 x 1.6 x 0.85mm, making it perfect for applications that require the tiniest of components. Find full specifications of the GXO-2201J here.
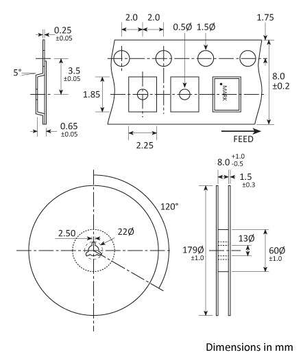
Package Drawing
Package footprint and pad configuration drawing for the Golledge GXO-2201 Oscillator showing full dimensions.
Ordering Information

To request a quotation for the GXO-2201J please use the configurable options form to choose the options you require and then submit your configured product to our team. Our expert advisers are always happy to help with your requirements and can be contacted on +44 1460 256 100 or at sales@golledge.com.

Following product selection you will be issued with a seven character Golledge part number. Your Golledge part number is the internationally accepted Golledge manufacturing part number (MPN) that should be used for all project documentation, including bills of materials (BoMs) and purchase orders.

If you have any queries regarding any of our documentation our dedicated sales team will be happy to help.

CAD Models
Our GXO-2201J is included in the following design libraries. Click to download the library of your choice.
Enable / Disable Function
Input (pad 1) Output (pad 3)
Open Enabled
'1' level Enabled
'0' level High Impedance
Marking
Marking
Marking
Soldering Profile
Solder reflow profile
Tape & Reel Specification
Tape and Reel specifications
Handling & Storage

ESD-HBM-1A Human Body Model (HBM) 1A (250V to < 500V)

MSL1 Moisture Sensitivity Level (MSL): 1

Construction
Ceramic body with gold-plated pads Metal lid, seam sealed
Compliance

PbFree Lead-free (< 0.1% by weight )

RoHS RoHS compliant with no exemptions.