GVXO-E33L

GVXO-E33L 3.3V Complementary LV-PECL VCXO

  • Complementary LV-PECL outputs
  • Multiplier-free design
  • Enable / disable tristate function
  • Designed for high speed data transfer
Configurable Options
ParameterOption Code
Frequency
Frequency pullability
Frequency stability
* see note below
B
C
Operating temperature range
I
Quantity / Special Request

Please specify the quantity you require below.

The GVXO-E33L is supplied on tape and reel. 2k pcs per reel is the standard T&R pack size for this product. Partial quantities may be supplied on tape (no reel), or in bulk.
Product Description
The multiplier-free design of the GVXO-E33L allows for exceptionally good phase jitter performance of just 1ps max (frequency dependent). Available up to 250MHz, this voltage controlled oscillator has been designed specifically for use within applications focused on high speed data transfer including high speed wireless communications, telecoms, network systems, computing and instrumentation. The GVXO-E33L is available in a miniature 3.2 x 2.5mm ceramic package and also features a choice of frequency stability and pullability options. With complementary PECL output, and requiring 3.3V supply voltage, this VCXO is suitable for a wide range of data transfer applications. 
Specifications
Frequency range 40.0 ~ 250MHz
Dimensions 3.2 x 2.5 x 1.1mm
Voltage control (VCTL) +1.65V ±1.50V, 10% linearity
Storage temperature range -40 to +85°C
Supply voltage (VDD) +3.3V (±5%)
Supply current 50mA max
Output Complementary LV-PECL
Test load RT = 50Ω
VT = VDD-2.0V
Logic levels ‘0’ level = VDD-1.81~VDD-1.62V max
‘1’ level = VDD-1.025~VDD-0.88V min
Waveform symmetry 45:55 max @ 50%VP-P
Rise / fall time 0.5ns max (20% ~ 80%VP-P)
Phase jitter 1ps max (12kHz ~ 20MHz)
Enable / disable function Tristate (control via pad 2)
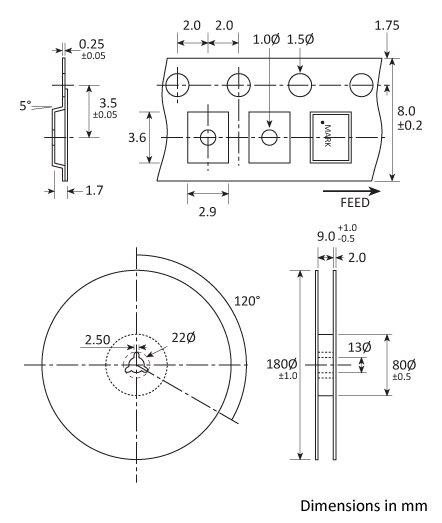
Package Drawing
Package footprint and pad configuration drawing for the Golledge GVXO- 33L VCXO showing full dimensions.
Ordering Information

To request a quotation for the GVXO-E33L please use the configurable options form to choose the options you require and then submit your configured product to our team. Our expert advisers are always happy to help with your requirements and can be contacted on +44 1460 256 100 or at sales@golledge.com.

Following product selection you will be issued with a seven character Golledge part number. Your Golledge part number is the internationally accepted Golledge manufacturing part number (MPN) that should be used for all project documentation, including bills of materials (BoMs) and purchase orders.

If you have any queries regarding any of our documentation our dedicated sales team will be happy to help.

Enable / Disable Function
Input (pad 2) Output 1 (pad 4) Output 2 (pad 5)
Open Enabled Enabled
'1' level (≥0.7 VDD) Enabled Enabled
'0' level (≤0.3 VDD) High Impedanceive High Impedance
Marking
Marking
Marking
Soldering Profile
Solder reflow profile
Tape & Reel Specification
Tape and Reel specifications
Handling & Storage

ESD-HBM-1A Human Body Model (HBM) 1A (250V to < 500V)

MSL1 Moisture Sensitivity Level (MSL): 1

Construction
Ceramic body with gold-plated pads Metal lid, seam sealed
Compliance

PbFree Lead-free (< 0.1% by weight )

RoHS RoHS compliant with no exemptions.