GVXO-753D

GVXO-753D 3.3V VCXO

  • Low cost for volume applications
  • Choice of pullability & stability
Configurable Options
ParameterOption Code
Frequency
Frequency pullability
N
S
V
Frequency stability
B
C
Operating temperature range
I
Quantity / Special Request

Please specify the quantity you require below.

The GVXO-753D is supplied on tape and reel. 1k pcs per reel is the standard T&R pack size for this product. Partial quantities may be supplied on tape (no reel), or in bulk.
Product Description
Ideal for volume applications, the GVXO-753 provides a highly cost effective 3.3V VCXO solution. This 4-pad voltage controlled oscillator offers a range of frequency pullability and frequency stability options and is available with industrial operating temperature range of -40 to +85°C.  If you like the look of the GVXO-753D but need enable/disable tristate functionality please check out the GVXO-753F 6-pad VCXO with this in-built function.
Specifications
Frequency range 1.50 ~ 54.0MHz
Dimensions 7.0 x 5.0 x 1.8mm
Package 4 pads, 5.08mm pitch
Voltage control +1.65V ±1.50V, 10% linearity
Storage temperature range -40 to +85°C
Supply voltage (VDD) +3.3V (±10%)
Supply current 10mA max (1.5 ~ 20.0MHz)
15mA max (>20.0 ~ 30.0MHz)
20mA max (>30.0 ~ 40.0MHz)
25mA max (>40.0MHz)
Driving ability 15pF CMOS
Logic levels ‘0’ level = 10%VDD max
‘1’ level = 90%VDD min
Waveform symmetry 45:55 max
Rise / fall time (10%~90%VDD) 10ns max (1.5 ~ 10.0MHz)
6ns max (>10.0MHz)
Phase noise -130dBc/Hz typ @ 1kHz
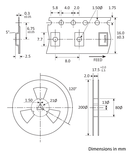
Package Drawing
Package footprint and pad configuration drawing for the Golledge GVXO-753D VCXO showing full dimensions.
Ordering Information

To request a quotation for the GVXO-753D please use the configurable options form to choose the options you require and then submit your configured product to our team. Our expert advisers are always happy to help with your requirements and can be contacted on +44 1460 256 100 or at sales@golledge.com.

Following product selection you will be issued with a seven character Golledge part number. Your Golledge part number is the internationally accepted Golledge manufacturing part number (MPN) that should be used for all project documentation, including bills of materials (BoMs) and purchase orders.

If you have any queries regarding any of our documentation our dedicated sales team will be happy to help.

CAD Models
Our GVXO-753D is included in the following design libraries. Click to download the library of your choice.
Enable / Disable Function
Input (pad 2) Output (pad 4)
Open Enabled
'1' level Enabled
'0' level High Impedance
Marking
Marking
Marking
Soldering Profile
Solder reflow profile
Tape & Reel Specification
Tape and Reel specifications
Handling & Storage

ESD-HBM-1A Human Body Model (HBM) 1A (250V to < 500V)

MSL1 Moisture Sensitivity Level (MSL): 1

Construction
Ceramic body with gold-plated pads Metal lid, seam sealed
Compliance

PbFree Lead-free (< 0.1% by weight )

RoHS RoHS compliant with no exemptions.

Nominal Net Mass Nominal Net Mass: 142mg