GVXO-331G

GVXO-331G 1.8 Surface Mount VCXO

  • Low current consumption
  • Choice of supply voltages
  • Miniature SM package
  • Competitive pricing
Configurable Options
ParameterOption Code
Frequency
Frequency pullability
Frequency stability
* see note below
B
C
Operating temperature range
I
Quantity / Special Request

Please specify the quantity you require below.

The GVXO-331G is supplied on tape and reel. 1k pcs per reel is the standard T&R pack size for this product. Partial quantities may be supplied on tape (no reel), or in bulk.
Product Description
The GVXO-331G voltage controlled oscillator is available over a frequency range of 1.50 to 64.440MHz and offers the engineer wide ±80ppm frequency pullability as standard with even wider options available. The GVXO-331G also offers operating supply voltage of 1.8V, and has a low supply current requirement of only 3mA. Voltage control of the GVXO-331G is available over the range 0.9V ±0.9V with 10% linearity and this component also has CMOS driving ability of 15pF.
Specifications
Frequency range 1.50 ~ 64.440MHz
Dimensions 3.2 x 2.5 x 1.0mm
Voltage control +0.9V ±0.9V, 10% linearity
Storage temperature range -40 to +85°C
Supply voltage (VDD) +1.8V (±10%)
Supply current 3mA max
Driving ability 15pF CMOS
Logic levels ‘0’ level = 10%VDD max
‘1’ level = 90%VDD min
Waveform symmetry 40:60 max @ 50%VDD
Rise / fall time 10ns max (1.5 ~ 10.0MHz)
6ns max (10.0 ~ 64.440MHz)
Phase noise -130dBc/Hz max @ 1kHz
Package Drawing
Golledge 3225 SM oscillator package
Ordering Information

To request a quotation for the GVXO-331G please use the configurable options form to choose the options you require and then submit your configured product to our team. Our expert advisers are always happy to help with your requirements and can be contacted on +44 1460 256 100 or at sales@golledge.com.

Following product selection you will be issued with a seven character Golledge part number. Your Golledge part number is the internationally accepted Golledge manufacturing part number (MPN) that should be used for all project documentation, including bills of materials (BoMs) and purchase orders.

If you have any queries regarding any of our documentation our dedicated sales team will be happy to help.

CAD Models
Our GVXO-331G is included in the following design libraries. Click to download the library of your choice.
Marking
Marking
Marking
Soldering Profile
Solder reflow profile
Solder resistance: 260°C x 10 secs x 2.
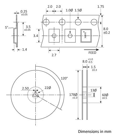
Tape & Reel Specification
Tape and Reel specifications
Handling & Storage

ESD-HBM-1A Human Body Model (HBM) 1A (250V to < 500V)

MSL1 Moisture Sensitivity Level (MSL): 1

Construction
Ceramic body with gold-plated pads Metal lid, seam sealed
Compliance

PbFree Lead-free (< 0.1% by weight )

RoHS RoHS compliant with no exemptions.