The product image will be updated soon

GRX-210 Automotive Crystal (AEC-Q200)

  • AEC-Q200 qualified for automotive applications
  • Vacuum seal for excellent long-term stability
  • High reliability at low cost
  • Metal lid can be grounded to minimise EMI
  • Miniature size for maximum space/weight saving
Configurable Options
ParameterOption Code
Quantity / Special Request

Please specify the quantity you require below.

The GRX-210 is supplied on tape and reel. 3k pcs per reel is the standard T&R pack size for this product. Partial quantities may be supplied on tape (no reel), or in bulk.
Product Description
The smallest member of our dedicated automotive GRX range, the GRX-210 automotive crystal is available in frequencies from 26.0-40MHz and comes fully AEC-Q200 qualified as standard. The miniature ceramic package with seam sealed metal lid makes the GRX-210 particulalry ideal for tight-space applications that require excellent long-term stability.
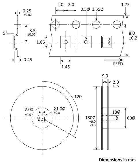
Package Drawing
Package footprint and pad configuration drawing for the Golledge 1.6x1.2mm Crystal showing full dimensions.
Ordering Information

To request a quotation for the GRX-210 please use the configurable options form to choose the options you require and then submit your configured product to our team. Our expert advisers are always happy to help with your requirements and can be contacted on +44 1460 256 100 or at sales@golledge.com.

Following product selection you will be issued with a seven character Golledge part number. Your Golledge part number is the internationally accepted Golledge manufacturing part number (MPN) that should be used for all project documentation, including bills of materials (BoMs) and purchase orders.

If you have any queries regarding any of our documentation our dedicated sales team will be happy to help.

CAD Models
Our GRX-210 is included in the following design libraries. Click to download the library of your choice.
Marking
Marking
Marking
Soldering Profile
Solder reflow profile
Tape & Reel Specification
Tape and Reel specifications
Handling & Storage

ESD-HBM-1A Human Body Model (HBM) 1A (250V to < 500V)

MSL1 Moisture Sensitivity Level (MSL): 1

Construction
Ceramic body with gold-plated pads, Metal lid, seam sealed
Compliance

PbFree Lead-free (< 0.1% by weight )

RoHS RoHS compliant with no exemptions.