The product image will be updated soon

GOXO-149 SM OCXO

  • Miniature SM package - 50% smaller footprint than DIL-14
  • Ideally suited for base stations, VSAT etc
  • Outstanding phase noise characteristics
  • 3.3V supply
  • LVCMOS output
Configurable Options
ParameterOption Code
Quantity / Special Request

Please specify the quantity you require below.

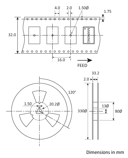
The GOXO-149 is supplied on tape and reel. 500pcs per reel is the standard T&R pack size for this product. Partial quantities may be supplied on tape (no reel), or in bulk.
Product Description
The GOXO-149 OCXO with CMOS output features 14.0 x 9.0 x 6.85mm package and is available with supply voltage 3.3V at frequencies from 10.0 ~ 80.0MHz.
Package Drawing
Package footprint and pad configuration drawing for the Golledge GOXO-149 OCXO showing full dimensions.
Ordering Information

To request a quotation for the GOXO-149 please use the configurable options form to choose the options you require and then submit your configured product to our team. Our expert advisers are always happy to help with your requirements and can be contacted on +44 1460 256 100 or at sales@golledge.com.

Following product selection you will be issued with a seven character Golledge part number. Your Golledge part number is the internationally accepted Golledge manufacturing part number (MPN) that should be used for all project documentation, including bills of materials (BoMs) and purchase orders.

If you have any queries regarding any of our documentation our dedicated sales team will be happy to help.

Marking
Marking
Soldering Profile
Solder reflow profile
Tape & Reel Specification
Tape and Reel specifications
Handling & Storage

ESD-HBM-1A Human Body Model (HBM) 1A (250V to < 500V)

MSL1 Moisture Sensitivity Level (MSL): 1

Construction
FR4 substrate, Ryton R4 cover, Water resistant, non hermetic seal
Compliance

PbFree Lead-free (< 0.1% by weight )

RoHS RoHS compliant with no exemptions.