GMCF-21 21G12A

GMCF-21 21G12A 21.4MHz 2 pole crystal filter with 12.0kHz 3dB bandwidth

  • Comprehensive stocks
  • Custom specifications available
Configurable Options
ParameterOption Code
Package
Quantity / Special Request

Please specify the quantity you require below.

The GMCF-21 21G12A is supplied in either a leaded (UM-1 or UM-5 style) package, or a jacketed (UM-1J or UM-5J) package. UM-1 or UM-5 style packaged products are supplied in boxes or bags. UM-1J or UM-5J style packaged products are supplied on tape and reel. 300 pcs per reel is the standard T&R pack sizes for these products. Partial quantities may be supplied on tape (no reel), or in bulk.
Specifications
Centre frequency 21.4MHz
Dimensions Package options available - see Package Drawing
Operating temperature range -20 to +70°C
Number of poles 2
Pass band -3dB @ ±6.0kHz min
Attenuation band -20dB @ ±25.0kHz max
In-band ripple 0.5dB max
Insertion loss 1.5dB max
Guaranteed attenuation -35dB max +350 ~ +1000kHz
-50dB max -200 ~ -1000kHz
Termination 1200Ω // 3.0pF
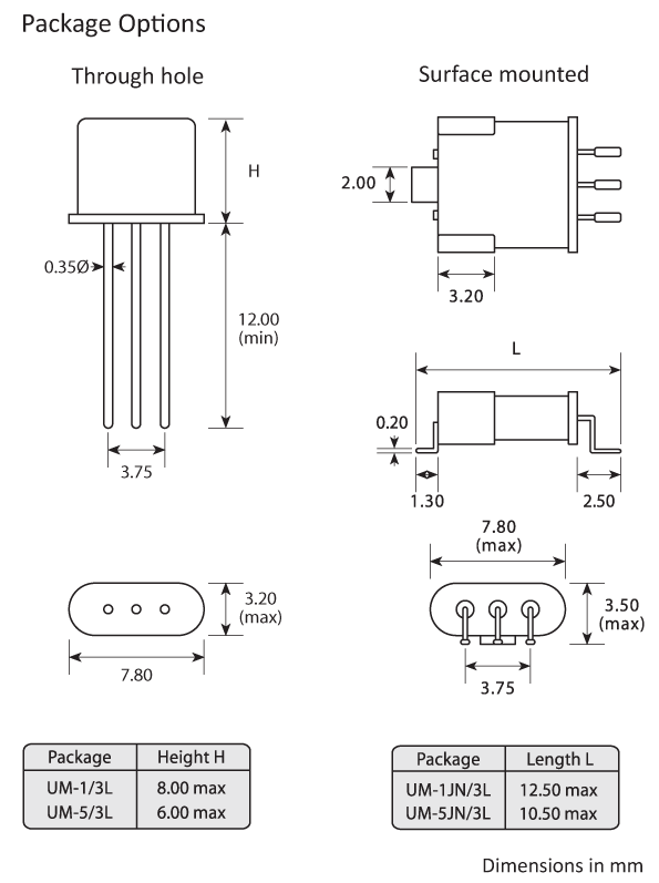
Package style UM-1/3L, UM-5/3L (through-hole)
UM-1JN/3L, UM-5JN/3L (SMT)
Package Drawing
Package footprint and configuration drawing for UM-1 and UM-5 Crystal filters showing SMD options
Ordering Information

To request a quotation for the GMCF-21 21G12A please use the configurable options form to choose the options you require and then submit your configured product to our team. Our expert advisers are always happy to help with your requirements and can be contacted on +44 1460 256 100 or at sales@golledge.com.

Following product selection you will be issued with a seven character Golledge part number. Your Golledge part number is the internationally accepted Golledge manufacturing part number (MPN) that should be used for all project documentation, including bills of materials (BoMs) and purchase orders.

If you have any queries regarding any of our documentation our dedicated sales team will be happy to help.

Handling & Storage

ESD-HBM-1A Human Body Model (HBM) 1A (250V to < 500V)

MSL1 Moisture Sensitivity Level (MSL): 1

Construction
Resistance weld
Compliance