The product image will be updated soon

CC7V-T1A SM Watch Crystal -55+125°C

  • High shock & vibration resistance
  • Military temperature range -55+125°C option
  • Low power consumption
Configurable Options
ParameterOption Code
Quantity / Special Request

Please specify the quantity you require below.

The CC7V-T1A is supplied on tape and reel. 1k, 3k or 14k pcs per reel are the standard T&R pack sizes for this product. Partial quantities may be supplied on tape (no reel), or in bulk.
Product Description
With competitive pricing for high volume commercial projects, the CC7V-T1A 32.768kHz watch crystal is ideal for applications expected to reach high commercial numbers. Configure your specifications here.
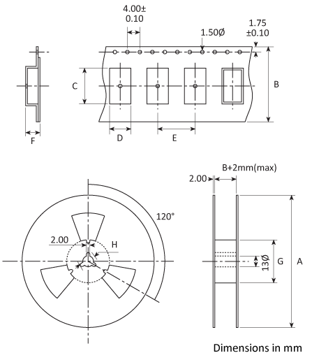
Package Drawing
Package footprint and pad configuration drawing for the Golledge CC7 Crystals showing full dimensions.
Ordering Information

To request a quotation for the CC7V-T1A please use the configurable options form to choose the options you require and then submit your configured product to our team. Our expert advisers are always happy to help with your requirements and can be contacted on +44 1460 256 100 or at sales@golledge.com.

Following product selection you will be issued with a seven character Golledge part number. Your Golledge part number is the internationally accepted Golledge manufacturing part number (MPN) that should be used for all project documentation, including bills of materials (BoMs) and purchase orders.

If you have any queries regarding any of our documentation our dedicated sales team will be happy to help.

Tape & Reel Specification
Tape and Reel specifications
A:178* B:12 C:3.5 D:1.8 E:4 F:1.1 G:80 H:21
*Larger reel size available. Please ask for details
Handling & Storage

ESD-HBM-1A Human Body Model (HBM) 1A (250V to < 500V)

MSL1 Moisture Sensitivity Level (MSL): 1

Construction
Ceramic base and lid
Compliance

PbFree Lead-free (< 0.1% by weight )

RoHS RoHS compliant with no exemptions.